| Page: |
| Home > Help Needed / General Tech Chat > turbo power chop. | |||||||
|
831 Posts Member #: 908 Post Whore gateshead |
31st Aug, 2015 at 10:35:08pm
so, im having another go at getting this running properly. a 12 month time out is about enough. i've now got the mini running ok as long as its not on boost.........
balls to the blower!!!
|
||||||
|
1767 Posts Member #: 9165 Previously josh4444 Australia, brisbane |
1st Sep, 2015 at 12:09:23am
whats the wide band say?
|
||||||
|
167 Posts Member #: 11091 Advanced Member |
1st Sep, 2015 at 09:35:30am
What does it do on boost?
|
||||||
|
167 Posts Member #: 11091 Advanced Member |
1st Sep, 2015 at 09:39:17am
Thats why its not running right the pressures should be different from the plenum to the carb
Edited by Will on 1st Sep, 2015. |
||||||
|
Site Admin ![]() 15302 Posts Member #: 337 Fearless Tom Fenton, Avon Park 2007 & 2008 class D winner & TM legend. |
1st Sep, 2015 at 09:59:59am
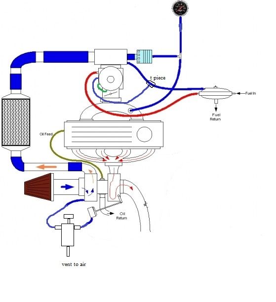
T piece is to ensure the float chamber is pressurised, as done by loads of folk on here for years so that is not an issue.
On 29th Nov, 2016 madmk1 said:
On 28th Nov, 2016 Rob Gavin said:
I refuse to pay for anything else Like fuel 😂😂 |
||||||
![]() 3673 Posts Member #: 9300 Post Whore Quarry Bonk |
1st Sep, 2015 at 11:26:30am
Check/change plugs and valve clearances etc On 26th Jan, 2012 Tom Fenton said:
ring problems are down to wear or abuse but although annoying it isn't a show stopper On 5th Aug, 2014 madmk1 said:
Shit the bed! I had snapped the end of my shaft off!! 17.213 @ 71mph, 64bhp n/a (Old Engine) |
||||||
|
831 Posts Member #: 908 Post Whore gateshead |
1st Sep, 2015 at 11:42:29am
cheers lads. will get a wide band ordered and see what its saying. it basically drives fine, until it comes onto boost then its like hitting a limiter and it kills the power. plugs are almost new and gapped ok.
balls to the blower!!!
|
||||||
|
1767 Posts Member #: 9165 Previously josh4444 Australia, brisbane |
2nd Sep, 2015 at 01:21:25am
if its fine off boost until boost starts building and it just goes flat no power then it sounds like a lack of fuel to me
|
||||||
| Home > Help Needed / General Tech Chat > turbo power chop. | |||||||
|
|||||||
| Page: |


